主题中讨论的其他器件:AM2431、 TPS22965、TPS54320
工具与软件:
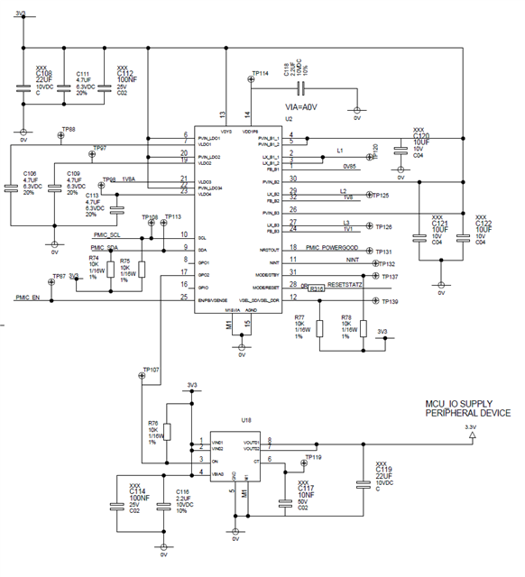
我对 PMIC 时序有一些问题。 PMIC 器件型号为 TPS6521908 、MPU 是 AM2431。
请帮助分析原因并评估风险。
谢谢你。
1.上电时序问题
Buck1 0.85V 和 MCU OSC0-XO 之间的时序相反、我们不 知道为什么会发生这种情况。 反向时序会导致什么影响?
测试点为 MCU OSC0 XO 输出引脚。
|
项 |
测量值 |
|||
|
Buck1 0.85V 和 MCU OSC0 XI/XO 之间的时间 |
-3ms |
3毫秒 |
||
测试波形如下、并使用所需的时序进行比较。


断电时序问题
1) Buck1 0.85V 和 MCU OSC0-XO 之间的时序相反、我们不知道为什么会发生这种情况。 反向时序会导致什么影响?
MCU XI/XO 的测试点是 MCU OSC0 XO 输出引脚。
2) GPO2和 VSYS 之间的时序相反、我们不知道为什么会发生这种情况。 反向时序会导致什么影响?
VSYS 的测试点是 PMIC 电源输入6/20/22引脚。
|
项 |
测量值 |
|
|
NRSTOUT 和 Buck3之间的时间为1.1V |
0.16ms |
>= 0ms |
|
Buck3 1.1V 和 MCU XI/XO 之间的时间 |
8.5ms |
0ms |
|
MCU XI/XO 和 Buck1之间的时间0.85V |
-8.4ms |
10ms |
|
Buck1 0.85V 和 Buck2 1.8V 之间的时间 |
0 |
>= 0ms |
|
Buck2 1.8V 和 LDO3 1.8V 之间的时间 |
0 |
>= 0ms |
|
LDO3 1.8V 和 GPO2之间的时间 |
0.04ms |
>= 0ms |
|
GPO2和 VSYS 之间的时间 |
-1.1ms |
10ms |
测试波形如下、并使用所需的时序进行比较。





这是下面的 PMIC 部分的原理图。 请帮助检查。 谢谢你。


谢谢。






