请注意,本文内容源自机器翻译,可能存在语法或其它翻译错误,仅供参考。如需获取准确内容,请参阅链接中的英语原文或自行翻译。
器件型号:UCC21222-Q1 工具与软件:
尊敬的团队:
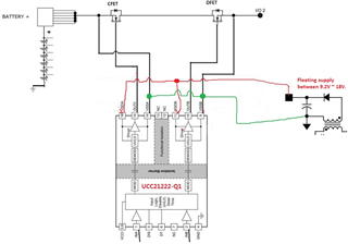
在 BMS 应用的背对背共漏极配置中、当我关闭使能信号时会得到浮动电压。 应该怎么做才能避免输出侧出现浮动电压?
谢谢你
Sonu Kumar

This thread has been locked.
If you have a related question, please click the "Ask a related question" button in the top right corner. The newly created question will be automatically linked to this question.
工具与软件:
尊敬的团队:
在 BMS 应用的背对背共漏极配置中、当我关闭使能信号时会得到浮动电压。 应该怎么做才能避免输出侧出现浮动电压?
谢谢你
Sonu Kumar
