This thread has been locked.

If you have a related question, please click the "Ask a related question" button in the top right corner. The newly created question will be automatically linked to this question.

[参考译文] BQ76942:我们适用于5S4P 配置板的定制应用板被检测到检测或损坏。

Guru**** 2499235 points
Other Parts Discussed in Thread: BQ76942, BQ25750

请注意,本文内容源自机器翻译,可能存在语法或其它翻译错误,仅供参考。如需获取准确内容,请参阅链接中的英语原文或自行翻译。

https://e2e.ti.com/support/power-management-group/power-management/f/power-management-forum/1464263/bq76942-our-custom-application-board-for-5s4p-conficuration-board-is-gettin-doing-mulfuction-damaged

器件型号:BQ76942
主题中讨论的其他器件: BQ25750

工具与软件:

你(们)好

在测试过程中、我们适用于5S4P 板的基于 BQ76942的定制电路板会损坏或执行多项功能。

在全部7个板中、我们填充了8个板现在无法正常工作。

观察到的问题 如下所示:

1) REG1 (3.3V)和 REG18 (内部1.8V)自动变化、在不同的电平下、两个都是3.4V 或都是1.8V、与 Vice 类似。

2) 2)在其中一个板上关断机制无法正常工作。

请告知 BQ76942已损坏或正在以任何不同的模式移动?

如果它处于不同的模式、请建议如何恢复。

请注意、我们将使用 BQ25750以2.5A 的额定电流为锂离子电池充电。

谢谢、此致

Shashi Kumar Rai

  • 请注意,本文内容源自机器翻译,可能存在语法或其它翻译错误,仅供参考。如需获取准确内容,请参阅链接中的英语原文或自行翻译。

    Shashi、您好!

    您是否介意分享您的原理图? 您能否分享波形、您执行了哪些测试以及在发生这种情况时执行的过程?  

    此致、
    Alexis

  • 请注意,本文内容源自机器翻译,可能存在语法或其它翻译错误,仅供参考。如需获取准确内容,请参阅链接中的英语原文或自行翻译。

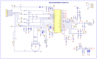
    您好、Alexis_H

    我在此分享原理图设计文件。

    第1页

    第2页

    我们所知故障案例的过程观察:  

    1) 1) 未连接电池组5S4P、通过 BQ25750充电器 IC 施加电源。

    2)在高于负载条件且电流为4A 时、多次连接和断开电芯峰值和电池充电器。

    与当前情况一样、可以观察到不同类型的故障。

    - REG18在其中一个板上观察到接地短路。

    - REG18开启1.2V 且 REGIN 未通信。

    - REG18和 REG1 (3.3V)在不同的电压电平上,如1.2V 3.2V 等

    请提出建议。

    谢谢、此致、

    Shashikumar Rai

  • 请注意,本文内容源自机器翻译,可能存在语法或其它翻译错误,仅供参考。如需获取准确内容,请参阅链接中的英语原文或自行翻译。

    Shashikumar、您好!

    请给我一些时间、回顾一下您分享的故障原理图。

    此外、是在电池组与电池充电器连接时观察到所有不同故障、还是仅在连接电池组时观察到其中一些故障?

    如果存在差异、您能说明在哪些条件下发生了哪些故障吗?

    您是否还可以共享.gg 文件或进行的任何配置更改?

    当您说 REGIN 未显示时、您是说它的读数为0V、还是?

    此致、
    Alexis