This thread has been locked.

If you have a related question, please click the "Ask a related question" button in the top right corner. The newly created question will be automatically linked to this question.

[参考译文] BQ79616:滤波器元件选择和 EMC 改进

Guru**** 2386610 points
Other Parts Discussed in Thread: BQ79616
请注意,本文内容源自机器翻译,可能存在语法或其它翻译错误,仅供参考。如需获取准确内容,请参阅链接中的英语原文或自行翻译。

https://e2e.ti.com/support/power-management-group/power-management/f/power-management-forum/1477752/bq79616-filter-component-selection-and-emc-improvement

器件型号:BQ79616

工具与软件:

您好、专家:

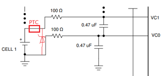
1) 1)数据表中的滤波器如下所示、

关于100R 电阻器、数据表不参考精确度、但参考设计电路板使用0.1% 100R。 这是 RC 滤波器、这里使用0.1%电阻的好处是什么? 因为电容器很容易出现10%的偏差。

2) 2)希望向 VC 引脚添加更高的 EMC 性能、以保护 BQ79616。 想法是在每个电池线路上的100R 电阻器之前、添加一个串联 PTC 和一个并联的通用 TVS。

附加组件是否会因其对滤波器稍有改变而对测量精度产生某种影响?  

非常感谢。

  • 请注意,本文内容源自机器翻译,可能存在语法或其它翻译错误,仅供参考。如需获取准确内容,请参阅链接中的英语原文或自行翻译。

    宁国市

    正如您提到的、PTC 会增加一些串联电阻。  
    此 LPF 的理想截止频率为~3.4kHz。

    根据添加的 PTC 以及所选的 LPF 组件、计算截止频率的最坏情况偏差。  

    如果它很小、影响很小。  

    至于 TVS 二极管、这可能有一些泄漏电流。

    如果是、则可能会改变电压测量精度。 请在决定时考虑这一点。

    此致!

       昆廷

  • 请注意,本文内容源自机器翻译,可能存在语法或其它翻译错误,仅供参考。如需获取准确内容,请参阅链接中的英语原文或自行翻译。

    您好、Quentin、

    感谢您的回复。 PTC 和 TVS 的情况非常明显。

    关于0.1% 100R 电阻器、我知道截止频率不需要0.1%的电阻器。 在此处保留0.1%的电阻器是否有好处、或者出于成本原因可以更改为正常的1%。

    谢谢。

    宁国

  • 请注意,本文内容源自机器翻译,可能存在语法或其它翻译错误,仅供参考。如需获取准确内容,请参阅链接中的英语原文或自行翻译。

    宁国市

    也可以接受容差为1%的电阻。  
    在最坏的情况下、VC 通道上101欧姆和12uA 的电流消耗仅增加12uV 的误差、因此这仍然是可以接受的。  

    对于1%电阻器、LPF 的截止频率也不会有太大变化。  

    此致!

       昆廷