Other Parts Discussed in Thread: TPS2660
工具与软件:
大家好、团队成员:
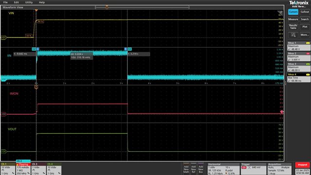
过流关断响应时间需要3.1秒?
条件:在1.1A 负载下上电。
Ilimit 设置为1.1A。

请恢复。
谢谢!
Vidhya
谢谢!
Vidhya
This thread has been locked.
If you have a related question, please click the "Ask a related question" button in the top right corner. The newly created question will be automatically linked to this question.
Vidhya、您好!
器件可以在电流限制下运行的持续时间取决于内部 MOSFET 上的功率耗散。
TPS2660会调节使 RSDon 增大的栅极电压。 当功率耗散增加时、温度升高、器件将进入热关断状态。
TPS2660等高电压电子保险丝可以在限流模式下使用更长时间。
要计算功率耗散、您可以检查 VIN 到 VOUT 的压降并根据电流计算功率耗散。
对于1.1A 电流限制、VOUT 压降将小于0.6A。 这取决于栅极的调节方式。
您可以通过计算从 VOUT 到 VIN 的压降与电流的乘积来检查这一点、并将功率耗散与下图进行比较。

希望这可以澄清查询。
谢谢
Amrit Jit