工具与软件:
您好!
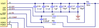
您能回顾一下下面的原理图吗?
应用:
输入:14V+/-10%
输出:3V~20V、 最大为3A

This thread has been locked.
If you have a related question, please click the "Ask a related question" button in the top right corner. The newly created question will be automatically linked to this question.
工具与软件:
您好!
您能回顾一下下面的原理图吗?
应用:
输入:14V+/-10%
输出:3V~20V、 最大为3A

尊敬的 Liping:
感谢您联系我们。
建议在输入电压侧添加一个68uF/100uF E-cap、以稳定输入电压。
2.将 R731更改为49.9kHz 以设置400kHz 开关频率。 对于60W 输出、不建议将2MHz FSW 用于散热考虑。
建议在输出电压侧添加一个100uF 的 E-cap、以实现瞬态性能。
在 ISN 和 ISP 引脚中添加 RC 滤波器。

建议在 SW1和 SW2中保留 RC 缓冲器。

请提供输出电容器件型号(包括100uF E-cap)以进行环路计算。
7.确保电感器的 Isat 大于8A。
8.遵循布局指南。
此致、
Mulin