This thread has been locked.

If you have a related question, please click the "Ask a related question" button in the top right corner. The newly created question will be automatically linked to this question.

[参考译文] AM3352:与非引导在下电上电测试中失败

Guru**** 2587365 points
Other Parts Discussed in Thread: AM3352

请注意,本文内容源自机器翻译,可能存在语法或其它翻译错误,仅供参考。如需获取准确内容,请参阅链接中的英语原文或自行翻译。

https://e2e.ti.com/support/processors-group/processors/f/processors-forum/631920/am3352-nand-boot-fails-in-power-cycling-test

器件型号:AM3352

尊敬的香榭丽舍

我的客户在其定制 AM3352电路板的开/关测试中发现了启动失败问题、这种启动失败是在多次开/关测试后发生的、此问题仅在某些电路板上发生。(并非在他们的所有电路板上都发生)

他们发现第一次停用后没有 GPMC_CS0停用、如下所示。 我在 下图中将其标记为"圆形"。

C2:GPMC_CS0 (CE #)

C3:NAND 数据

C4:GPMC_WAIT0 (等待)

您能否检查此问题并告诉我如何解决此问题?

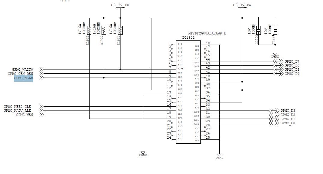
下面是其 NAND 器件的原理图。 它们的 NAND 是 MT29F2G08ABAEAWP。

下面是 AM3352与 NAND 的连接部分。

谢谢、此致、

SI

  • 请注意,本文内容源自机器翻译,可能存在语法或其它翻译错误,仅供参考。如需获取准确内容,请参阅链接中的英语原文或自行翻译。
    您好!

    通道1上的信号是什么? 使用的软件是什么? 如何执行测试(时序)? GPMC_WAIT0上的上拉值看起来相当高。 常用值为4.7kOhm。
  • 请注意,本文内容源自机器翻译,可能存在语法或其它翻译错误,仅供参考。如需获取准确内容,请参阅链接中的英语原文或自行翻译。
    您好!

    Channel1上的信号毫无意义。 这是为了检查其电源轨上的电源状态。
    他们的软件是 Linux SDK 3.03.00.04、但即使 UBL 也无法在启动失败时加载。 此时不显示控制台。

    他们的测试方案在1分钟内为"开"、在15秒内为"关"、但也出现了此问题、他们在每2~3秒尝试开/关

    谢谢、此致、
    SI
  • 请注意,本文内容源自机器翻译,可能存在语法或其它翻译错误,仅供参考。如需获取准确内容,请参阅链接中的英语原文或自行翻译。
    我唯一可以建议的是、他们尝试使用逻辑分析仪捕获 GPMC 信号、以查看通信失败的位置。
  • 请注意,本文内容源自机器翻译,可能存在语法或其它翻译错误,仅供参考。如需获取准确内容,请参阅链接中的英语原文或自行翻译。

    感谢您的推荐。

    请提供更多详细信息、说明 GPMC 在初始时如何与 NAND 进行通信?

    当我检查 AM3352的 TRM 时、有一条说明 ROM 代码等待器件自动初始化并轮询就绪信息。

    什么是就绪信息? 是否为 GPMC_WAIT?

    当我检查 NAND 的数据表时、在发出 RESET 命令之前、NAND 器件似乎只发送 R/B#(GPMC_WAIT)。

    我的理解是否正确?

    谢谢、此致、

    SI

  • 请注意,本文内容源自机器翻译,可能存在语法或其它翻译错误,仅供参考。如需获取准确内容,请参阅链接中的英语原文或自行翻译。
    ROM 代码首先通过轮询 GPMC_WAIT0执行器件自动初始化(超时250ms)的初始等待。

    然后、它需要识别连接到 GPMC 接口的 NAND 类型。 GPMC 使用8位异步模式进行初始化。 NAND 器件被复位(命令 FFh)并且其状态被轮询直到运行准备就绪(超时200ms)。

    ONFI 读取 ID (命令90h /地址20h)被发送到 NAND 器件。 如果它使用 ONFI 签名(4字节)进行回复、则会发送读取参数页面(命令 ECH)。 如果参数页面没有 ONFI 签名、则 ONFI 标识将失败。 如果 ONFI 标识通过、则提取表26-13中显示的信息:页面大小、备用区域大小、每个块的页数和寻址模式。 参数页流中的剩余数据字节将被忽略。

    如果 ONFI READ ID 命令失败(对于任何不支持 ONFI 的器件、都会出现这种情况)、则器件会再次复位、并轮询器件是否准备就绪(超时200ms)。 然后、发送标准读取 ID (命令90h /地址00h)。 如果器件 ID (ID 字节流的第二个字节)被识别为支持的器件、则从内部 ROM 代码表中提取器件参数。 。
    支持的器件列表如表26-14所示。
  • 请注意,本文内容源自机器翻译,可能存在语法或其它翻译错误,仅供参考。如需获取准确内容,请参阅链接中的英语原文或自行翻译。
    这是否解决了? 如果是、请关闭线程。
  • 请注意,本文内容源自机器翻译,可能存在语法或其它翻译错误,仅供参考。如需获取准确内容,请参阅链接中的英语原文或自行翻译。
    我们仍在尝试通过增加复位时序来测试电路板、但我的问题已得到解决。


    谢谢、此致、
    SI