Thread 中讨论的其他器件:UCC28881、UCC28910 、 UCC28701
工具/软件:
您好、
我们有的用例
输入电压范围为 19V 至 60V 直流电和 20V 至 265V 交流电。
12V 输出、80mA。
开关拓扑。
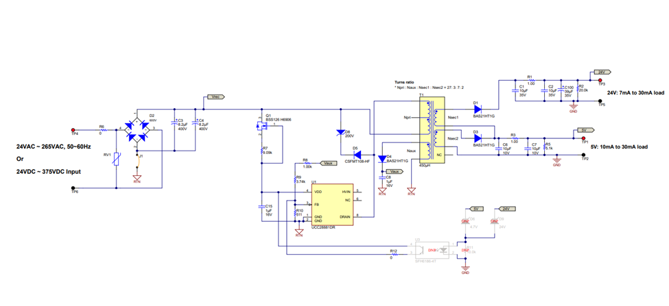
我遇到了 UCC28911D 和 UCC28881DR
UCC28881DR
https://www.ti.com/lit/df/tidrs78a/tidrs78a.pdf?ts = 1752826638278
您有 UCC28911D 的 EVM。
如果我更改变压器、是否可以将 UCC28911D 配置 为所需的规格。
我拥有变压器、可支持宽输入电压范围。
https://www.we-online.com/components/products/datasheet/750370271.pdf
我正在尝试配置 UCC28911D、如 UCC28881DR EVM 中所示。 无法工作。
我是否缺少一些信息?
谢谢。此致、
Anurag
