请注意,本文内容源自机器翻译,可能存在语法或其它翻译错误,仅供参考。如需获取准确内容,请参阅链接中的英语原文或自行翻译。
器件型号:TIDA-01606 工具与软件:
您好!
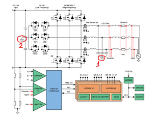
我根据参考设计 TIDA-01606设计一个22kW 三相逆变器。
对于将 LCL 滤波器的星点连接到直流链路电容器的中点的选项、我有一些问题。

1.在参考设计中、我注意到 LCL 滤波器中电容器的星点直接连接到了直流链路电容器的中点。
在直接连接1到2和不连接1到2的情况下运行时、EMI 和操作有何不同?
2.如果通过大约100nF 的 Y 电容将1连接到2、该怎么办? 电路的工作是否与直接连接相同或没有连接?