请注意,本文内容源自机器翻译,可能存在语法或其它翻译错误,仅供参考。如需获取准确内容,请参阅链接中的英语原文或自行翻译。
器件型号:TMUX121工具/软件:
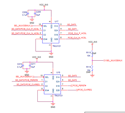
尊敬的 TI 团队:
我们在我们的设计中使用了多路复用器/多路 信号分离器 IC、我随附了参考原理图图像以供您审阅。
请验证电路连接,如果您发现任何错误或需要改进的地方,请提供您的反馈或建议必要的更正。 
This thread has been locked.
If you have a related question, please click the "Ask a related question" button in the top right corner. The newly created question will be automatically linked to this question.
工具/软件:
尊敬的 TI 团队:
我们在我们的设计中使用了多路复用器/多路 信号分离器 IC、我随附了参考原理图图像以供您审阅。
请验证电路连接,如果您发现任何错误或需要改进的地方,请提供您的反馈或建议必要的更正。 