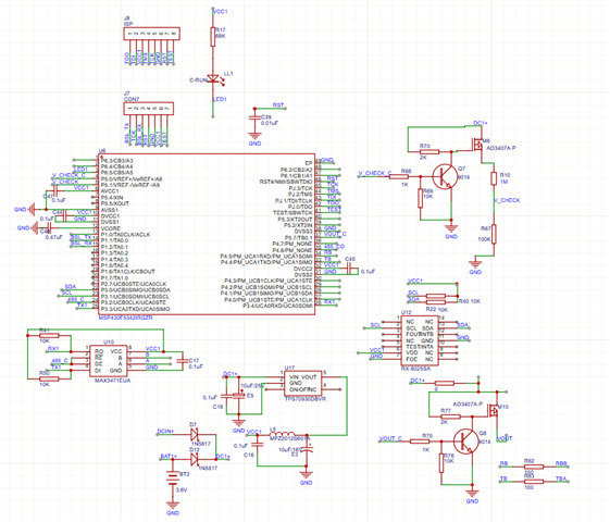
Part Number: MSP430F5342
MSP430F5342, 电池3V供电, RST管脚接的0.01uF下拉电容。长期运行后(时长不等,有的1-2年,有的半年),发现CPU没有工作, 测量RST管脚为低电平。 比例大概3%。 请问,RST引脚为低的几种可能原因。
This thread has been locked.
If you have a related question, please click the "Ask a related question" button in the top right corner. The newly created question will be automatically linked to this question.
Part Number: MSP430F5342
MSP430F5342, 电池3V供电, RST管脚接的0.01uF下拉电容。长期运行后(时长不等,有的1-2年,有的半年),发现CPU没有工作, 测量RST管脚为低电平。 比例大概3%。 请问,RST引脚为低的几种可能原因。