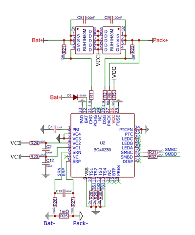
我目前正在设计一个使用 BQ40Z50-R2的2串电池组。 请帮忙审阅我的原理图是否存在错漏,以确保在PCB设计之前没有重大问题。谢谢!
This thread has been locked.
If you have a related question, please click the "Ask a related question" button in the top right corner. The newly created question will be automatically linked to this question.
Yes, is the BAT+ connection also connected to VC2? This should be the top of stack voltage in this case, so they should be the same.