This thread has been locked.

If you have a related question, please click the "Ask a related question" button in the top right corner. The newly created question will be automatically linked to this question.

LMP91000: 求助TI工程师

Part Number: LMP91000


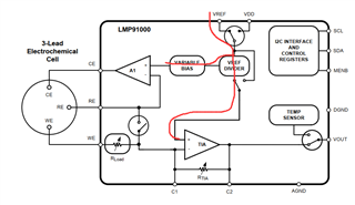
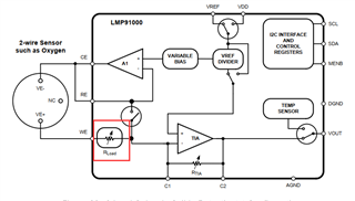
   您好 请问internal zero 选择50%的意思是 VDD的一半进入TIA的同相端 另一半进入A1的同相端吗 还有我没有明白图二中variable bias 给we和re提供偏置电压是什么意思 如果bias设置为0就代表we和re没有偏置电压吗 他们的电压就相等吗