This thread has been locked.

If you have a related question, please click the "Ask a related question" button in the top right corner. The newly created question will be automatically linked to this question.

LMP91000: 求助TI工程师

Part Number: LMP91000


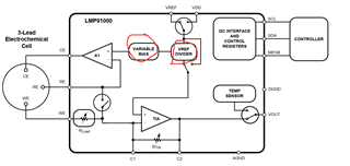
    请问如果选择VDD,如果是3V,VREF DIVIDER(即INT_Z)选择50%,  VARIABLE BIAS 选择24%, 请问输入A1同向端的电压是多少呢 3*0.24吗?