Thread 中讨论的其他器件:C2000WARE、 TIDM-1000
工具与软件:
大家好、团队成员:
开奖记录
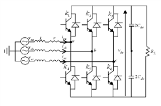
我们通过使用三相有源整流器电路来开发交流/直流转换模块。
我们已经学习了下面的 PPT 并尝试了解下面的控制环路。

请在以下方面帮助我们:
1.您能否分享任何参考文档以了解控制器设计或流程图文档,以更清楚地了解?
2.如果 SW 可用于该设计、请共享 C2000ware 路径位置以导入项目?
提前感谢您!
e2e.ti.com/.../3731.Three_5F00_Phase_5F00_Rectifier_5F00_Presentation-_2800_2_2900_.pdf
此致、
Chaithanya N.
