Other Parts Discussed in Thread: TPS552872, TPS552892, TPS63070
主题中讨论的其他器件: TPS552892、 TPS63070
工具/软件:
您好、
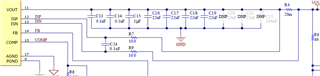
我们在 其中一个设计中考虑使用 TPS552872。 但是、似乎该器件无法在 Webench 设计器中使用。
我尝试使用计算表来进行计算、但补偿网络似乎很令人困惑。
根据网站上的信息、TPS552892是此设计的引脚对引脚替代产品。
由于 TPS552892 在 webench 中提供、因此我可以使用此设计- webench.ti.com/.../SDP.cgi
谢谢、
Jagan

