Thread 中讨论的其他器件:TDP142、 HD3SS3220、 TPS66993
工具/软件:
您好团队
您能按如下所示帮助我 SCH 吗?
删除 8/27、因为不在内部论坛
它位于 U1202 的第 5 页
BRS
Brian
This thread has been locked.
If you have a related question, please click the "Ask a related question" button in the top right corner. The newly created question will be automatically linked to this question.
您好、Brian、
我看到我们在这里使用的是 HD3SS3220、TDP142 和 MUSB546。 您能分享一下该系统的方框图吗?
我还不确定我是否了解 AUX 和 HPD 信号路径。 如果这是一个源端应用、我们能否详细说明为什么要连接到 PD 和 DP 连接器?
以下是原理图审阅:
嗨、Vishesh
请参阅以下客户反馈。


BRS
Brian
您好、Brian、
感谢您的澄清、
删除 HDP(是/否)
保持 HPD 连接
删除与 TPS66993 的 AUX 连接? (是/否)[/报价]您需要连接 PD 控制器上的 AUX。 AUX 可以同时路由至 PD 控制器和 TUSB546A、但您需要确保翻转方向不会发生两次翻转。
可以绕过 TUSB546 上的 AUX 和 SBU 连接并直接从 PD 控制器连接。
从 PD 到 USBC 连接器 (Y/N) 中删除 SBU1、2请参阅上一个 quetion
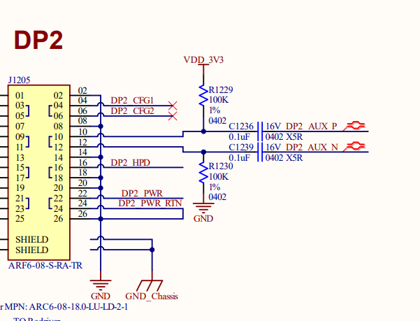
AUX 通道看起来像发送源应用所需的 PUP 和 PDWON。 我还注意到电阻器和电容器的顺序不正确。
对于源应用、电阻器和电容器的顺序应如下所示。
AUXp/n:src -> 100nF 交流电容-> 100k (PDOWN/PUP)-> SBU PDOWN 连接器-> 1M (PUP/PDWN)-> 100nF 交流电容-> SNK
[/quote]