工具/软件:
您好的团队、
我的客户正在在其新工程(带 2 个 LM5171-Q1 的 1kW 直流/直流转换器)中评估 LM5171-Q1、有以下问题、您能助您发表一些评论吗?
1. 如果客户使用 2 个 LM5171-Q1、是否所有 4 个 ISET 都要连接在一起?
2.是否知道电压回路和电流回路是单独连接还是可以共享?
(即 FBHV、FBLV、ERRHV、ERRLV、ISET 信号独立于每个部分、或 FBHV、FBLV、ERRHV、ERRLV、 ISET 信号共享)




此致、
常春藤
This thread has been locked.
If you have a related question, please click the "Ask a related question" button in the top right corner. The newly created question will be automatically linked to this question.
工具/软件:
您好的团队、
我的客户正在在其新工程(带 2 个 LM5171-Q1 的 1kW 直流/直流转换器)中评估 LM5171-Q1、有以下问题、您能助您发表一些评论吗?
1. 如果客户使用 2 个 LM5171-Q1、是否所有 4 个 ISET 都要连接在一起?
2.是否知道电压回路和电流回路是单独连接还是可以共享?
(即 FBHV、FBLV、ERRHV、ERRLV、ISET 信号独立于每个部分、或 FBHV、FBLV、ERRHV、ERRLV、 ISET 信号共享)




此致、
常春藤
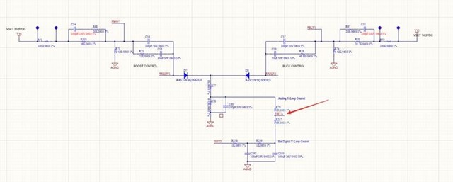
您好 Feng、
该工程专为双向 1KW 直流/直流电源而设计。 降压模式:输入电压 32V-52V(典型值为 48V) 、输出电压 11-15V(典型值为 14.2V)。
升压模式:VIN 9V 至 16V(典型值 13.5V)、输出电压 38-50V(典型值 48V)。
根据 EVM 的用户指南、对于四相配置、主 EVM 的 J18 连接到辅助 EVM 的 J17、其中跳线设置未针对电压环路信号 (FBHV、FBLV、ERRHV、ERRLV) 进行配置、因此客户理解每个芯片都有一个单电压环路、请帮助确认。

此致、
常春藤