This thread has been locked.

If you have a related question, please click the "Ask a related question" button in the top right corner. The newly created question will be automatically linked to this question.

[参考译文] LP5813:VOUT 设置

Guru**** 2616675 points

Other Parts Discussed in Thread: LP5813

请注意,本文内容源自机器翻译,可能存在语法或其它翻译错误,仅供参考。如需获取准确内容,请参阅链接中的英语原文或自行翻译。

https://e2e.ti.com/support/power-management-group/power-management/f/power-management-forum/1583571/lp5813-vout-setting

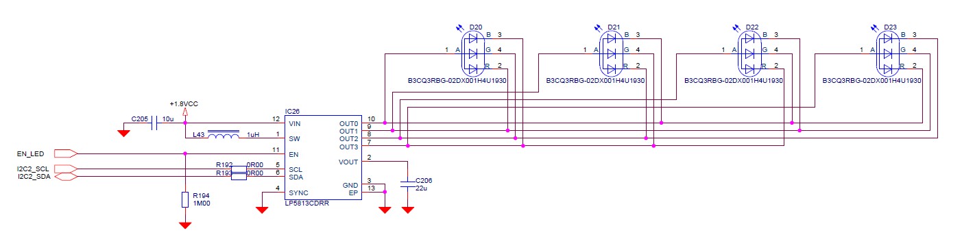
器件型号: LP5813

您好团队:

我正在评估 LED 驱动器 LP5813。

微控制器和 LP5813 之间的 I2C 通信运行良好。

我可以写入和读取所有寄存器。 我可以打开 RGB LED 并设置颜色和亮度。

LP5813 由 1.8V 电源供电、在 VOUT 引脚上测量 3V 电压。

但是、修改 Dev_Config_ 0 寄存器中的 BOOST_Vout 无效。 无论输入的值是多少、始终在 VOUT 引脚上测量 3V。  

我是否错过了一些东西? 有什么想法吗?

以下是设计:

LP5813 Schematics.jpg

 

  • 请注意,本文内容源自机器翻译,可能存在语法或其它翻译错误,仅供参考。如需获取准确内容,请参阅链接中的英语原文或自行翻译。

    专家将很快检查此案

  • 请注意,本文内容源自机器翻译,可能存在语法或其它翻译错误,仅供参考。如需获取准确内容,请参阅链接中的英语原文或自行翻译。

    您好团队:

    问题已解决。 每次修改 Dev_Config_  0 寄存器后、我忘记发送更新命令(在 0x10 寄存器中写入 0x55)。

    请参阅数据表的第 9.2.3.4 章。

  • 请注意,本文内容源自机器翻译,可能存在语法或其它翻译错误,仅供参考。如需获取准确内容,请参阅链接中的英语原文或自行翻译。

    您好、Sebastien、

    很棒!

    我是否知道客户是谁以及申请是什么?

    此致、

    Felix