请注意,本文内容源自机器翻译,可能存在语法或其它翻译错误,仅供参考。如需获取准确内容,请参阅链接中的英语原文或自行翻译。
器件型号:LM5060-Q1 主题中讨论的其他器件:TINA-TI、
尊敬的先生。
我的客户遇到 RMA 问题。
我尝试使用 TINA-TI 仿真模型来澄清原因。
我对评估有几个问题。
请提供您的建议。
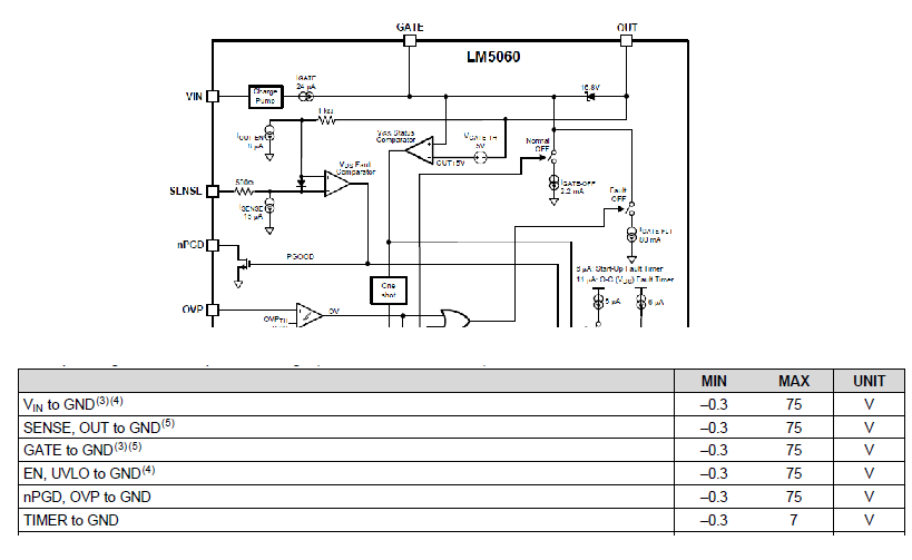
输出引脚灌电流。
我可以在 OUT 引脚上看到灌电流、 2.2mA@EN =低电平、80mA@OVP 故障。
内部电流源似乎从 OUT 引脚拉取电流。
这是正常行为吗?
每个引脚上的最大灌电流/拉电流。
数据表中定义了每个引脚的电压稳健性。
是否可以定义每个引脚上的最大灌电流/拉电流?
此致、
H. Sakai
