请注意,本文内容源自机器翻译,可能存在语法或其它翻译错误,仅供参考。如需获取准确内容,请参阅链接中的英语原文或自行翻译。
器件型号:TPS62133 主题中讨论的其他器件:TPS62135
工具/软件:WEBENCH设计工具
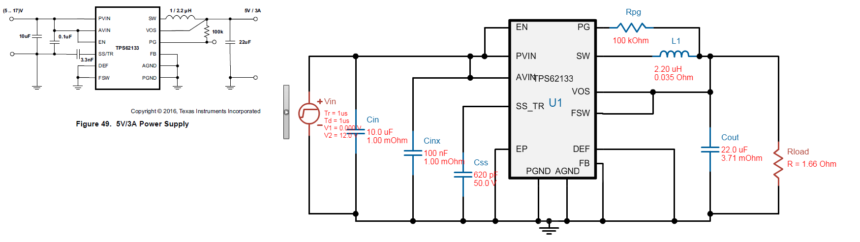
当我将 webench 原理图与数据表中的原理图进行比较时、我发现 fsw (开关频率选择)的连线不同。
数据表:接地-> 2、5MHz
Webench:至输出电压->在电压出现或根本不起作用之前、先有2、5MHz?
将 fsw 连接到输出电压的目的是什么? 还是这是一个错误? 请参阅下面的两个原理图。
