This thread has been locked.

If you have a related question, please click the "Ask a related question" button in the top right corner. The newly created question will be automatically linked to this question.

[参考译文] TPS2372:PoE 开关无法识别 PD 器件并提供电源

Guru**** 2551110 points
Other Parts Discussed in Thread: TPS2372, BOOST-PSEMTHR-007, TPS23880EVM-008, TPS23880, TPS2372-4EVM-006

请注意,本文内容源自机器翻译,可能存在语法或其它翻译错误,仅供参考。如需获取准确内容,请参阅链接中的英语原文或自行翻译。

https://e2e.ti.com/support/power-management-group/power-management/f/power-management-forum/736450/tps2372-poe-switch-not-recognizing-pd-device-and-providing-power

器件型号:TPS2372
主题中讨论的其他器件: BOOST-PSEMTHR-007TPS23880EVM-008TPS23880

我已经构建了 TPS2372评估板的更小尺寸版本、但是当我连接到 POE 开关时、开关不会重新封装器件、也不会提供电源。

将其他 PoE 设备连接到交换机没有问题。

我还连接了一个自卸 PoE 喷油器(48V 直流输入)、该器件工作正常。

Autoclass 被拉低。

该原理图基于参考设计。 目前、我没有任何东西连接到输出端、输出电容为100uF。 我还尝试了 CLASS 电阻器、AMPS_CTL 和 Autoclass 接头的每种组合。

我有多个器件是用同一个电路板和原理图制造的、有些器件确实可以正常工作、但非工作器件上的所有连接看起来都很好、我已经多次更换了 TPS2372芯片。

使用示波器查看时、当以太网线插入插孔时、似乎有一个确定的器件类别、但看起来似乎不成功。

  • 请注意,本文内容源自机器翻译,可能存在语法或其它翻译错误,仅供参考。如需获取准确内容,请参阅链接中的英语原文或自行翻译。
    您好、Oleh、

    您能否重新发布原理图? 链路断开。

    此外:
    1.您打算在设计中实现 Autoclass 吗?
    2.您尝试使用的是哪种 PSE 交换机?

    谢谢、
    Tom Amlee
    PoE PD 应用工程师
  • 请注意,本文内容源自机器翻译,可能存在语法或其它翻译错误,仅供参考。如需获取准确内容,请参阅链接中的英语原文或自行翻译。

    这是原理图:

    是的、目的是使其与 Autoclass 配合使用、但我在所有选项引脚上都有标头、以便可以重新配置它们。

    我们使用的 PoE 开关是这个: www.amazon.ca/.../B075G2PM17。

  • 请注意,本文内容源自机器翻译,可能存在语法或其它翻译错误,仅供参考。如需获取准确内容,请参阅链接中的英语原文或自行翻译。
    您好、Oleh、

    原理图中没有任何跳转内容、但 Autoclass 是 IEEE802.3bt 的一项新功能、因此需要.bt PSE。

    我们的 TPS23880EVM-008子卡和 BOOST-PSEMTHR-007是可订购的 EVM、是您开始设计的理想选择。 您可以订购一个、如果您在分类方面仍有困难、请告诉我。

    此外、如果您可以向我展示您输入的其余原理图、这将会很有帮助。

    谢谢、
    Tom Amlee
    PoE PD 应用工程师
  • 请注意,本文内容源自机器翻译,可能存在语法或其它翻译错误,仅供参考。如需获取准确内容,请参阅链接中的英语原文或自行翻译。

    输入原理图

    还包括分级电阻器、我也尝试使用它们、禁用 Autoclass。

    此外、我们还有两个工作器件、它们基于与该 PoE 注入器相同的原理图和布局。

  • 请注意,本文内容源自机器翻译,可能存在语法或其它翻译错误,仅供参考。如需获取准确内容,请参阅链接中的英语原文或自行翻译。
    您好、Oleh、

    这是您正在使用的交换机吗?: www.amazon.com/.../B075G2PM17

    您是否能够在电路板配置为4类、禁用 Autoclass 并插入该交换机的30W 端口的情况下通电?

    谢谢、
    Tom Amlee
    PoE PD 应用工程师
  • 请注意,本文内容源自机器翻译,可能存在语法或其它翻译错误,仅供参考。如需获取准确内容,请参阅链接中的英语原文或自行翻译。

    这是我们使用的开关。 我尝试了该配置但没有成功。

    电压表输出读数约为~30V。

    已编辑:正确的电压表读数

  • 请注意,本文内容源自机器翻译,可能存在语法或其它翻译错误,仅供参考。如需获取准确内容,请参阅链接中的英语原文或自行翻译。
    将其设置为 Autoclass、并将 MPS_DUTY 连接到 VSS、然后将其连接到60W 高 PoE 端口、这是一种可行的方法。 将一个负载(100 Ω 电阻器)反复地连接到输出端最初会降低电压。 但是、在某一时刻、电压增加到48V、PoE 指示灯亮起。 当负载断开时、电压保持在48V、开关上的 PoE 灯保持亮起。 之后、负载可以重新连接到输出端、而不会产生不良影响。

    拔下 PD 器件并重新插入后、再次出现与上述相同的问题(30V 输出、连接负载下降电压)、并且重复连接负载(如前一次尝试半成功时)未与先前的结果相同。
  • 请注意,本文内容源自机器翻译,可能存在语法或其它翻译错误,仅供参考。如需获取准确内容,请参阅链接中的英语原文或自行翻译。

    您好、Oleh、

    Autoclass 不适用于此开关上的60W 端口、因为它不符合 IEEE802.3bt 标准。 要成功测试 Autoclass、您必须具有配置为支持 Autoclass 的.bt PSE。 (TPS23880EVM-008和 BOOST-PSEMTHR-007)

    关于输出电压:分级后、PD 进入浪涌电流限制、以便为大容量电容器 C4充电。 在此期间、不应连接任何负载、以便所有电流都可以流入电容器。 在此期间连接负载时、由于大容量电容器未充满电、因此无法保持输出电压。 之后、可以成功连接负载。

    此致、
    Tom Amlee
    PoE PD 应用工程师

  • 请注意,本文内容源自机器翻译,可能存在语法或其它翻译错误,仅供参考。如需获取准确内容,请参阅链接中的英语原文或自行翻译。
    我已经尝试禁用 Autoclass 并使用 CLSA 和 CLSB 电阻器来设置类别、结果相同。 输出电压保持在30V。

    在电容器充电后、通常在将 PD 插入 PoE 开关大约30秒后、100 Ω 负载与 C4并联。

    您是否知道在系统上没有明显负载的情况下、如何防止开关将电压增大到48V?

    注意:我将 MPS_DUTY 引脚直接连接到 VSS、因为当它悬空时、空载时的输出电压仅为13V 左右。 通过53.6k 欧姆电阻器将其连接到 VSS 也会将输出电压保持在大约30V
  • 请注意,本文内容源自机器翻译,可能存在语法或其它翻译错误,仅供参考。如需获取准确内容,请参阅链接中的英语原文或自行翻译。

    您好、Oleh、

    当电路板配置为4类并连接到30W 端口时、您能否在检测、分类和浪涌启动序列期间及之后布置 Vdd-VSS 和 RTN-VSS 的波形?

    应为20ms/div 至100ms/div 的时间刻度、以查看全部内容。

    -Tom

  • 请注意,本文内容源自机器翻译,可能存在语法或其它翻译错误,仅供参考。如需获取准确内容,请参阅链接中的英语原文或自行翻译。
    有趣的是、当我测量波形时、示波器的负极端子实际上在我将其连接到 VSS 时触发。 然后、我检查了 VSS 接地(从本地接地柱、连接到 PoE 开关插头上的接地引脚)、电压大约为42V。 当我将 VSS 短接至接地时、VSS 会降至0V、PoE 开关开始供电并按预期工作。
  • 请注意,本文内容源自机器翻译,可能存在语法或其它翻译错误,仅供参考。如需获取准确内容,请参阅链接中的英语原文或自行翻译。

    您好、Tom、

    实际上、我在查看波形时发现了一些奇怪的东西。 当我连接示波器的负极端子时、有一个小火花。 进一步调查、我发现相对于真实接地、VSS 端子大约为~40V。

    此外、当我将示波器的负极端子连接到 VSS 时、有时器件会上电、开关上的 PoE 灯将亮起、然后器件将输出48V 电压、并按预期工作。

    拔下器件并将其插回将使其返回到以前不工作的状态、尽管在反复尝试后、它有时会打开、我会说大约10%的时间、您必须拔下器件、将其插回、 将负极端子连接到 VSS 一段时间、可能是在拔下负极端子并将其插回的第十次时、它会开始工作。

    当器件工作时、VSS 和 GND 之间的电压约为0

    此外、我只使用了一根连接到 GND 的导线、并使用它反复抽头 VCC。 只需一根导线而不是示波器探头、几次点击后、系统就会始终开启。

  • 请注意,本文内容源自机器翻译,可能存在语法或其它翻译错误,仅供参考。如需获取准确内容,请参阅链接中的英语原文或自行翻译。
    您好、Oleh、

    您看到的火花是连接到 RTN 的一个通道的接地探针、它与连接到 VSS 的另一个通道的接地探针短路、同时 VSS 和 RTN 接地端之间存在电压差。 为了保持浪涌电流限制、导通 FET 特意未完全导通(因此导通 FET 上的 VDS 较大)。

    当您在导通 FET 上短路时、RTN 和 VSS 会被置于相同的电位、并且 VDD-RTN 输出上可以看到48V 电压。 问题是您的电路板无法摆脱浪涌并自行运行、从而在输出端显示此电压。

    您能否在启动期间发布 VDD-VSS 和 RTN-VSS 的波形? 在上电之前、两个接地探针均应连接到 VSS。 通道1连接到 Vdd。 通道2连接到输出接地(RTN)。

    此致、
    Tom Amlee
    PoE PD 应用工程师
  • 请注意,本文内容源自机器翻译,可能存在语法或其它翻译错误,仅供参考。如需获取准确内容,请参阅链接中的英语原文或自行翻译。

    当我将接地柱(不是电路上的任何位置)接地至 VSS 时、而不是当我连接 VSS 和 RTN 时、会产生火花。  

    下面的波形解释了我的意思。 蓝色表示 VSS、黄色表示 VDD、两者都以接地柱为基准。 紫色是 VDD-VSS 的数学运算、所有内容都向下偏移、以便适合屏幕。 很抱歉、图像质量较差

  • 请注意,本文内容源自机器翻译,可能存在语法或其它翻译错误,仅供参考。如需获取准确内容,请参阅链接中的英语原文或自行翻译。

    您好、Oleh、

    所有测量值(RTN 至 VSS 以及 VDD 至 VSS)均应以 VSS 为基准。 为安全起见、不应将任何组件连接到接地的接地柱。

    您能否将其重新发布为 jpeg? 由于我们的网络安全策略、我无法访问您的云存储链接。

    谢谢、
    Tom Amlee
    PoE PD 应用工程师

  • 请注意,本文内容源自机器翻译,可能存在语法或其它翻译错误,仅供参考。如需获取准确内容,请参阅链接中的英语原文或自行翻译。

    这是链接中的图片

  • 请注意,本文内容源自机器翻译,可能存在语法或其它翻译错误,仅供参考。如需获取准确内容,请参阅链接中的英语原文或自行翻译。
    您好、Oleh、

    检测、分级和上电不兼容、因此无法保证您的 PD 能够被识别。 我建议使用符合 IEEE802.3bt 标准的 TPS23880 EVM (带 BOOST-PSEMTHR-007的 TPS23880EVM-008)测试您的 PD、并查看您的 PD 是否能够被识别。

    有关符合 IEEE 802.3bt 标准和 Autoclass 的更多信息、请参阅我们的培训系列、网址 :www.ti.com/.../support-training.html

    此致、
    Tom Amlee
  • 请注意,本文内容源自机器翻译,可能存在语法或其它翻译错误,仅供参考。如需获取准确内容,请参阅链接中的英语原文或自行翻译。
    您是否知道在将 VSS 反复短接至接地柱后为什么会识别 PD?
  • 请注意,本文内容源自机器翻译,可能存在语法或其它翻译错误,仅供参考。如需获取准确内容,请参阅链接中的英语原文或自行翻译。
    Oleh、

    我不确定。 接地 VSS 可能已损坏 PSE 或 PD。

    此致、
    Tom Amlee
    PoE PD 应用工程师
  • 请注意,本文内容源自机器翻译,可能存在语法或其它翻译错误,仅供参考。如需获取准确内容,请参阅链接中的英语原文或自行翻译。
    此板的行为没有改变、开关与 tps2372评估板一样工作、因此我不认为任何部件损坏。
  • 请注意,本文内容源自机器翻译,可能存在语法或其它翻译错误,仅供参考。如需获取准确内容,请参阅链接中的英语原文或自行翻译。

    下面是一个更清晰的情况:  

    我还编辑了上一个帖子。  

    这是具有工作板的同一开关:

    我还在 工作板和不工作板之间切换了 tps2372芯片、以前工作板上的芯片在以前工作板上继续按预期工作、以前工作板上的芯片在工作板上继续不工作。  

  • 请注意,本文内容源自机器翻译,可能存在语法或其它翻译错误,仅供参考。如需获取准确内容,请参阅链接中的英语原文或自行翻译。

    您好、Oleh、

    您能否澄清一下这些波形图像上的这些通道是什么?

    您似乎已经发现 IC 正常、但电路板之间存在差异。

    您可以对每个电路板执行随附的过程、并查找检测和分级电流是否在兼容范围内。 如果您的检测电流超出指定范围、则相应地调整检测电阻器的大小。 此外、检测电容(Vdd-VSS 上的输入电容)不应超过0.12uF。

    e2e.ti.com/.../PSIL006A_5F00_test.docx

  • 请注意,本文内容源自机器翻译,可能存在语法或其它翻译错误,仅供参考。如需获取准确内容,请参阅链接中的英语原文或自行翻译。

    通道为 VDD 和 VSS、黄色为 VSS

  • 请注意,本文内容源自机器翻译,可能存在语法或其它翻译错误,仅供参考。如需获取准确内容,请参阅链接中的英语原文或自行翻译。

    您好、Oleh、

    简单地说、两个信号都应将其接地探针连接到 VSS。 黄色通道应该是以 VSS 为基准测量的 RTN。 您希望能够看到 RTN-VSS 之间的导通 FET 保持浪涌电流限制。

    它应与下图类似:

  • 请注意,本文内容源自机器翻译,可能存在语法或其它翻译错误,仅供参考。如需获取准确内容,请参阅链接中的英语原文或自行翻译。
    不幸的是、我的同色电极的探头似乎没有浮动、因此将探头的负极端子连接到 VSS 实际上会将其降至0、从而使 VDD-VSS 电压始终大于40V。 在 VDD 上使用一个探针、在 VSS 上使用一个探针是解决此问题的一种方法、因此我可以看到两者之间的真正差异。
  • 请注意,本文内容源自机器翻译,可能存在语法或其它翻译错误,仅供参考。如需获取准确内容,请参阅链接中的英语原文或自行翻译。

    Oleh、

    您是否无法将2个示波器通道的两个接地连接连接连接到 VSS 并看到它们以相同的电压为基准? 我们使用的示波器在通道之间有一个共用的接地层。

    我们测量 RTN (不是 VSS)、因为我们测量 RTN 和 VSS 之间导通 FET 的 VDS。

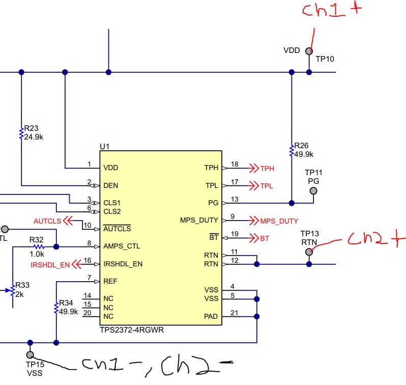
    我们希望在以下测试点进行测量:

    第二个通道、以 VSS 为基准、在浪涌后热插拔 FET 导通时、最终将为0V。 此外、在成功浪涌后、PG 将变为高电平。

    此致、

    Tom Amlee

    PoE PD 应用工程师

  • 请注意,本文内容源自机器翻译,可能存在语法或其它翻译错误,仅供参考。如需获取准确内容,请参阅链接中的英语原文或自行翻译。

    是的、我们的门槛没有浮动引线、因此 CH1 -和 CH2 -始终为0V、当连接到 VSS 时、会导致电流从 VSS 流向 CH1 -或 CH2 -

    这就是为什么我必须将 CH1+连接到 VSS、并将 CH2+连接到 VDD 的原因

  • 请注意,本文内容源自机器翻译,可能存在语法或其它翻译错误,仅供参考。如需获取准确内容,请参阅链接中的英语原文或自行翻译。

    您好、Oleh、


    无论示波器出现什么问题、主要问题是查找兼容的 PSE 并正确配置 PD 以使用 Autoclass。 我的建议是:

    订购 TPS2372-4EVM-006并配置 Autoclass
    2.使用符合 IEEE802.3bt 标准(Autoclass 所需)的 PSE EVM 测试 PD EVM
    1.对设计进行必要的更改、使其与 TPS2372-4EVM-006的配置方式类似

    如果您的问题已解决、请随时单击绿色按钮。 如果仍在工作中、请随时答复。 否则、如果我一周内没有收到您的回复、我将关闭此主题。

    此致、
    Tom Amlee
    PoE PD 应用工程师