Other Parts Discussed in Thread: BQ51013B, BQ25606
请注意,本文内容源自机器翻译,可能存在语法或其它翻译错误,仅供参考。如需获取准确内容,请参阅链接中的英语原文或自行翻译。
器件型号:BQ51013B 主题中讨论的其他器件: BQ25606
你(们)好
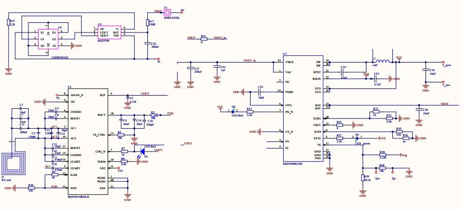
我的电路使用 BQ51013B 与 BQ25606连接、用作无线电池充电器。
当输出电流较高时、它工作正常。 但是、当它在200mA - 300mA 的输出电流范围内时、BQ51013B 会在保持持续重启时出现。
检查输出电流、即电池的电流。
Sch Attached、您能帮助检查我的电路上发生了什么情况吗?
谢谢
维也纳国际中心



