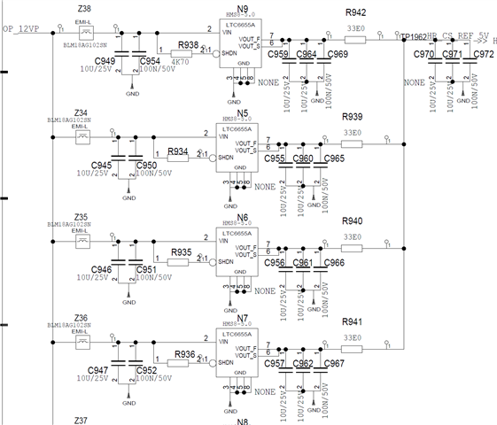
Hello TI expert, I have 2 questions about REF54500CDR.
1. Does REF54500CDR support several IC output in parallel so that we can get a 5V output with much lower noise than a single REF54500CDR output.
2. In the figure 8-2 of REF54500CDR datasheet, it d
escribes the relationship between temperature and output variation (ppm). But it doesn't include 100uf_Film or 100uf_X7R capacitor. Can you provide if you have?
